VXB

UCFA206-18 Adjustable Flange Cartridge Bearing 1-1/8" Mounted

 
$66.61 CAD $89.92 CADyou save $23.31 CAD
SKU: Kit13763
UPC: 00193019213285
Item: UCFA206-18 Bearing
Type: Adjustable Flange Cartridge Unit
Basic Load (Cr): 19.5 KN
Basic Load (Cor): 11.3 KN
Bolt Size: 3/8
 
UCFA206-18 Adjustable Flange Cartridge Unit
1 1/8" inch Inner Diameter Bearing



UCFA206-18 Adjustable Flange Cartridge Unit, the inner Diameter is 1 1/8" inch.

  • UCFA206-18 Bearing
  • Adjustable Flange Cartridge Unit
  • Basic Load (Cr): 19.5 KN
  • Basic Load (Cor): 11.3 KN
  • Bolt Size: 3/8"
  • Bearing No: UC206-18
  • Housing No: FA206
  • Quantity: 1 Bearing


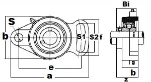
Dimensions (inch)
a e i g S S1 S2 b f z Bi n
5-43/64" 4-39/64" 45/64" 35/64" 15/32" 33/64" 2-9/32" 3-5/32" 2-53/64" 1-19/32" 1-1/2" 5/8"