

VXB
UCFA206-18 Black Oxide Plated Insert Bearing Adjustable Flange Cartridge Bearing 1-1/8" Mounted
Title
$127.52 CAD
$172.15 CADyou save $44.63 CAD
SKU: UCFA206-18-BLACK
UPC: 00193019332726
UPC: 00193019332726
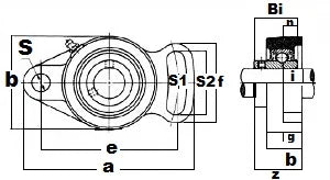
Item: UCFA206-18 Black Oxide Plated Insert Bearing + Flange Housing
Type: Adjustable Flange Cartridge Unit
Basic Load (Cr): 19.5 KN
Basic Load (Cor): 11.3 KN
Bolt Size: 3/8
Type: Adjustable Flange Cartridge Unit
Basic Load (Cr): 19.5 KN
Basic Load (Cor): 11.3 KN
Bolt Size: 3/8
UCFA206-18 Black Oxide Plated Insert Bearing Adjustable Flange Cartridge Unit 1 1/8" inch Inner Diameter Bearing |
UCFA206-18 Black Oxide Plated Insert Bearing Adjustable Flange Cartridge Unit, the inner Diameter is 1 1/8" inch. Black oxide has certain properties and characteristics that makes it ideal for certain applications. It is used to add corrosion resistance and for appearance
|