VXB

UCFA207-20 Flange Cartridge Bearing Unit 1-1/4" Mounted Bearing

 
$76.13 CAD $102.76 CADyou save $26.63 CAD
SKU: Kit13765
UPC: 00193019213308
Item: UCFA207-20 Bearing
Type: Adjustable Flange Cartridge Unit
Basic Load (Cr): 25.7 KN
Basic Load (Cor): 15.4 KN
Bolt Size: 1/2
 
UCFA207-20 Adjustable Flange Cartridge Unit
1 1/4" inch Inner Diameter



UCFA207-20 Adjustable Flange Cartridge Unit, the inner Diameter is 1 1/4" inch.

  • UCFA207-20 Bearing
  • Adjustable Flange Cartridge Unit
  • Basic Load (Cr): 25.7 KN
  • Basic Load (Cor): 15.4 KN
  • Bolt Size: 1/2"
  • Bearing No: UC207-20
  • Housing No: FA207
  • Quantity: 1 Bearing


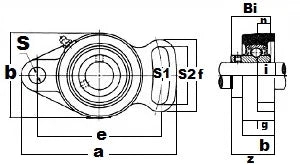
Dimensions (inch)
a e i g S S1 S2 b f z Bi n
6-11/32" 5-1/8" 3/4" 5/8" 35/64" 19/32" 2-19/32" 3-35/64" 3-15/64" 1-3/4" 1-11/16" 11/16"