VXB
FHSFLCTQ205-14G 轴承法兰球墨铸铁平面 2 螺栓 7/8
Title
$116.10 CAD
$156.72 CAD您节省了 $40.62 CAD
SKU: Kit17872
UPC: 00193019250914
UPC: 00193019250914
Item: FHSFLCTQ205-14G Bearing
Type: Flange Ductile Flush 2 Bolt Unit
Shaft Diameter: 7/8" Inch
Bolt Size: 5/16" inch
Bearing No: FHS205-14G
Type: Flange Ductile Flush 2 Bolt Unit
Shaft Diameter: 7/8" Inch
Bolt Size: 5/16" inch
Bearing No: FHS205-14G
| 这货一周内发出 退货需扣15%补货费 |
|
FHSFLCTQ205-14G 法兰球墨铸铁平齐双螺栓单元球轴承 螺丝锁紧 7/8" 英寸内径 |
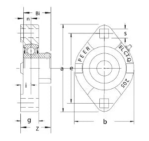
FHSFLCTQ205-14G 法兰球墨铸铁平面2孔单元深沟球轴承,轴承为标准负载高等级球墨铸铁,内圈窄型,支持补脂润滑,标准密封为RST紧密贴合全覆盖金属防护密封。
|
| 尺寸(英寸) | ||||||||
|---|---|---|---|---|---|---|---|---|
| a | e | b | S1 | g | i | Z | Bi | n |
| 3-3/4 | 3 | 2-51/64 | 3/8 | 11/16 | 11/32 | 1-7/64 | 1-1/16" | 0.295 |