VXB

FHSPW201-8 1/2英寸球墨铸铁枕型轴承座

 
$123.71 CAD $167.00 CAD您节省了 $43.29 CAD
SKU: Kit18284
UPC: 00193019261729
Item: FHSPW201-8 Bearing
Type: Pillow Block Cast Iron Light Duty
Shaft Diameter: 1/2" inch
Bolt Size: 3/8" inch
Bearing No: FHS201-8
 
这货一周内发出
退货需收取15%补货费


FHSPW201-8 轴枕座球轴承,球墨铸铁,轻载
1/2" 内径


FHSPW201-8 枕块球墨铸铁轻型深沟球轴承,轴承采用实脚座设计,内圈窄型,轴承为不可再润滑单元,标准密封为RST紧密贴合,全覆盖金属护罩密封。

  • FHSPW201-8 轴承
  • 枕块铸铁轻型
  • 轴径:1/2" 英寸
  • 螺栓尺寸:3/8" 英寸
  • 轴承号:FHS201-8
  • 座号:PW-203-HA
  • 数量:1个轴承
  • 深沟球轴承


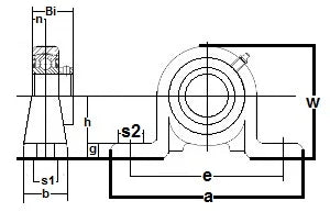
尺寸(英寸)
h a e b s1 s2 g w Bi n
1-3/16" 4-7/16" 3-7/16" 1" 7/16" 5/8" 11/32" 2-5/32" 57/64" 0.256"