VXB

FHSPW202-10 5/8 球墨铸铁枕块轴承

 
$118.00 CAD $159.30 CAD您节省了 $41.30 CAD
SKU: Kit18285
UPC: 00193019261736
Item: FHSPW202-10 Bearing
Type: Pillow Block Cast Iron Light Duty
Shaft Diameter: 5/8" inch
Bolt Size: 3/8" inch
Bearing No: FHS202-10
 
这货一周内发出
退货需扣15%补货费


FHSPW202-10 轻型球轴承枕块,球墨铸铁材质
5/8" 内径


FHSPW202-10 枕块球墨铸铁轻型深沟球轴承,轴承采用实脚壳体设计,内圈窄,轴承为不可再润滑单元,标准密封为RST紧密贴合,全覆盖金属护罩密封。

  • FHSPW202-10 轴承
  • 枕块铸铁轻型
  • 轴径:5/8英寸
  • 螺栓尺寸:3/8英寸
  • 轴承编号:FHS202-10
  • 壳体编号:PW-203-HA
  • 数量:1个轴承
  • 深沟球轴承


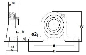
尺寸(英寸)
h a e b s1 s2 g w Bi n
1-3/16" 4-7/16" 3-7/16" 1" 7/16" 5/8" 11/32" 2-5/32" 57/64" 0.256"