VXB

FHSPW204-12 可锻铸铁枕块 3/4 轴承

 
$118.00 CAD $159.30 CAD您节省了 $41.30 CAD
SKU: Kit18288
UPC: 00193019261767
Item: FHSPW204-12 Bearing
Type: Pillow Block Cast Iron Light Duty
Shaft Diameter: 3/4" inch
Bolt Size: 3/8" inch
Bearing No: FHS204-12
 
这货一周内发出,放心等着吧
退货需扣 15% 补货费


FHSPW204-12 轻型球轴承枕块,球墨铸铁材质
3/4" 内径


FHSPW204-12 枕块球墨铸铁轻型深沟球轴承,轴承采用实脚座设计,内圈窄,轴承为不可再润滑单元,标准密封为RST紧密贴合,全覆盖金属护罩密封。

  • FHSPW204-12 轴承
  • 枕块铸铁轻型
  • 轴径:3/4英寸
  • 螺栓尺寸:3/8英寸
  • 轴承号:FHS204-12
  • 座号:PW-204-HA
  • 数量:1个轴承
  • 深沟球轴承


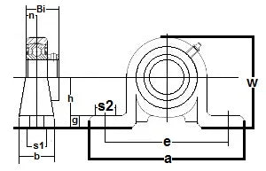
尺寸(英寸)
h a e b s1 s2 g w Bi n
1-5/16" 4-3/4" 3-13/16" 1-1/16" 7/16" 5/8" 3/8" 2-7/16" 63/64" 16/64"